



Besoin de puissance? Une gamme intelligente, commandée par ordinateur et à injection de carburant, offre une puissance polyvalente et des performances élevées pour les applications commerciales.




Besoin de puissance? Une gamme intelligente, commandée par ordinateur et à injection de carburant, offre une puissance polyvalente et des performances élevées pour les applications commerciales.
Les moteurs Honda V-Twin offrent puissance, adaptabilité, fonctionnement silencieux et efficacité énergétique. Sans oublier une garantie de 3 ans.
Caractéristiques
Spécifications
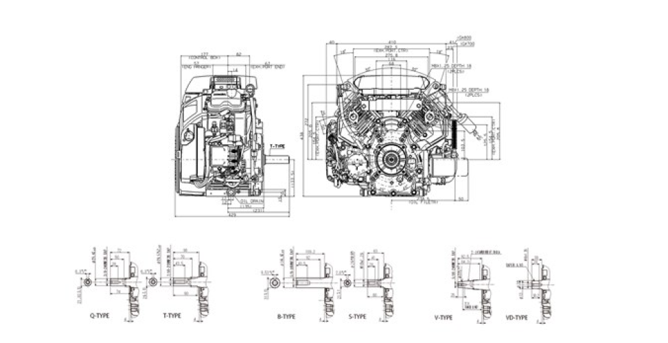
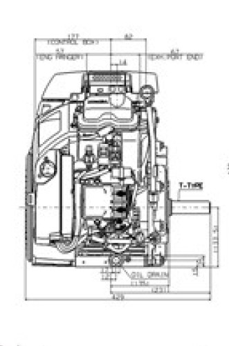
Plans et Dimensions
Courbes Des Performances
Téléchargez le manuel du propriétaire pour obtenir des informations plus détaillées sur ce moteur.
L’entretien est un aspect essentiel
du maintien de la qualité, de la
fiabilité et du rendement de votre
moteur Honda.
Téléchargez la fiche des caractéristiques et spécifications de ce moteur.
Honda possède une longue tradition d’innovations remarquables. Découvrez la différence Honda.



Voici le moteur qui a mis la barre plus haut en matière de puissance élevée, de fonctionnement silencieux et économie de carburant.

Pour les petits véhicules, pour les pompes à eau, les génératrices ou les équipements de construction, ce moteur offre puissance et efficacité.